良工閥門渦輪球閥q341f概述:
蝸(gua)輪法(fa)蘭球(qiu)(qiu)閥(bal1 valve)它的(de)啟(qi)閉(bi)件是(shi)個球(qiu)(qiu)體(ti),球(qiu)(qiu)體(ti)繞網體(ti)中心線作(zuo)旋轉90度(du)來達到開(kai)啟(qi)、關(guan)閉(bi)的(de)一種(zhong)閥門。球(qiu)(qiu)在管路中主要用(yong)來做切斷、調節和(he)改變介質的(de)流動方向。不(bu)僅結構(gou)簡單、密封(feng)性好,而且在一定的(de)公稱尺寸范(fan)圍內具有體(ti)積小(xiao)、重里輕、材料消(xiao)耗少、安裝尺寸小(xiao),并(bing)且驅動力矩(ju)小(xiao)、操作(zuo)簡便、易(yi)實現(xian)快速啟(qi)閉(bi),是(shi)近年來被(bei)廣泛采用(yong)的(de)一種(zhong)環保經濟型閥門。
良工閥門渦輪球閥q341f 特點:
(1)流體阻力小,全通(tong)徑。
(2)結構(gou)簡單、體積小(xiao)、重(zhong)量輕(qing)。
(3)緊密(mi)可(ke)靠。它有兩個密(mi)封面,而且目(mu)前(qian)球閥的密(mi)封面材料廣泛使用各種塑料,密(mi)封性好,能(neng)密(mi)封。在真空系(xi)統中也已廣泛使用。
(4)操作方(fang)便,開閉迅速,從全(quan)開到(dao)全(quan)關只要(yao)旋轉(zhuan)90°,便于(yu)遠距離的控制。
(5)維修方(fang)(fang)便(bian),球閥結構簡單(dan),密(mi)封圈一般都(dou)是活動的,拆卸更(geng)換都(dou)比較方(fang)(fang)便(bian)。
(6)在(zai)全開或全閉時,球體和閥(fa)座的密(mi)封面(mian)與介(jie)質隔離,介(jie)質通過時,不會引起(qi)閥(fa)門密(mi)封面(mian)的侵蝕。
(7)適用(yong)范(fan)圍廣,通徑從(cong)(cong)小到幾毫米,大(da)到幾米,從(cong)(cong)高真空至高壓力都可應用(yong)。
(8)由于球閥在啟閉過程中有擦拭性,所以可(ke)用于帶懸浮固體顆粒(li)的介質中。
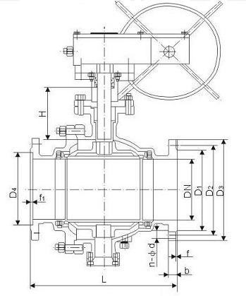
良工閥門渦輪球閥q341f 結構圖:

良工閥門渦輪球閥q341f 性能參數:
型號 | PN | 工作壓力 /MPa | 適用溫度 /℃ | 適用介質 |
Q341F-16C | 16 | 1.6 | ≤180 | 水、氣、油 |
Q341F-25 | 25 | 2.5 | ||
Q341F-40 | 40 | 4.0 | ||
Q341Y-16C | 16 | 1.6 | ≤425 | 水、氣、油含顆粒介質 |
Q341Y-25 | 25 | 2.5 | ||
Q341Y-40 | 40 | 4.0 | ||
Q341F-16P | 16 | 1.6 | ≤180 | 硝酸類 |
Q341F-25P | 25 | 2.5 | ||
Q341F-40P | 40 | 4.0 | ||
Q341Y-16P | 16 | 1.6 | ≤450 | 水、氣、油含顆粒介(jie)質 |
Q341Y-25P | 25 | 2.5 | ||
Q341Y-40P | 40 | 4.0 | ||
Q341F-16R | 16 | 1.6 | ≤180 | 硝酸類 |
Q341F-25R | 25 | 2.5 | ||
Q341F-40R | 40 | 4.0 | ||
Q341Y-16R | 16 | 1.6 | ≤450 | 水、氣、油含(han)顆粒介質(zhi) |
Q341Y-25R | 25 | 2.5 | ||
Q341Y-40R | 40 | 4.0 |
良工閥門渦輪球閥q341f 外形鏈接尺寸:
Q341F、Q341Y 型 PN16 蝸桿傳動球閥主要外形及結構尺寸(mm) | ||||
DN | L | D | H | 重量/kg |
125 | 320 | 245 | 542 | 110 |
150 | 360 | 280 | 572 | 130 |
200 | 457 | 335 | 638 | 200 |
250 | 533 | 405 | 828 | 245 |
300 | 610 | 460 | 948 | 500 |
Q341F、Q341Y 型 PN25 蝸桿傳動球閥主要外形及結構尺寸(mm) | ||||
DN | L | D | H | 重量/kg |
100 | 305 | 230 | 528 | 90 |
125 | 381 | 270 | 547 | 130 |
150 | 403 | 300 | 592 | 170 |
200 | 419 | 360 | 791 | 250 |
250 | 568 | 425 | 926 | 385 |
300 | 648 | 485 | 948 | 625 |
