良工疏水調節閥概述:
疏水閥(fa)調節閥(fa)適用于電站、化工、制藥、造紙等(deng)行業有(you)加熱(re)器(qi)的(de)工業部(bu)門,用于調節脫氧蒸汽和水箱的(de)水位。必不可少的(de)設(she)備,有(you)效控制熱(re)水器(qi)的(de)水量。
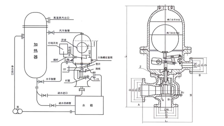
良工疏水調節閥工作原理:
疏水(shui)閥調節閥開始操作(zuo)時,應先調(diao)整閥(fa)門(men)的工作(zuo)位置(zhi)。手術后不需(xu)要(yao)進(jin)一步調(diao)整。閥(fa)門(men)將利用多級噴嘴的節(jie)流作(zuo)用,根據噴嘴入口處的介(jie)質(zhi)狀態,自動調(diao)節(jie)冷凝(ning)水排(pai)放量(liang)。介(jie)質(zhi)狀態可以是冷水、熱凝(ning)結水、蒸(zheng)汽(qi)或凝(ning)結水和蒸(zheng)汽(qi)的混合(he)物。
介(jie)質為冷(leng)水時,通(tong)過多級噴(pen)嘴(zui)節流(liu)排出(chu)的水仍(reng)是冷(leng)水,體積不(bu)變。
當介質(zhi)為(wei)蒸汽(qi)時,通(tong)過多級(ji)噴(pen)嘴的節流(liu),排(pai)出(chu)的介質(zhi)仍為(wei)蒸汽(qi)。但由于閥門的壓降較大,蒸汽(qi)進(jin)入多級(ji)噴(pen)嘴后膨(peng)脹(zhang)數(shu)倍,因(yin)此排(pai)出(chu)的蒸汽(qi)體積膨(peng)脹(zhang)明顯。
當介質(zhi)為(wei)凝(ning)結(jie)(jie)水(shui)時,凝(ning)結(jie)(jie)水(shui)在(zai)多級噴嘴內連續多次(ci)(ci)膨脹。由于閥門(men)壓(ya)降巨大(da),一(yi)部分冷(leng)凝(ning)水(shui)轉化為(wei)二(er)次(ci)(ci)蒸汽(qi)(qi)。閥門(men)排出(chu)冷(leng)凝(ning)水(shui)和(he)蒸汽(qi)(qi)的(de)混(hun)合物。轉化為(wei)二(er)次(ci)(ci)蒸汽(qi)(qi)的(de)量取決(jue)于凝(ning)結(jie)(jie)水(shui)溫度(du)、閥壓(ya)降和(he)閥盤(pan)的(de)開(kai)口高度(du)。閥瓣開(kai)得(de)過高時,不會(hui)產生二(er)次(ci)(ci)蒸汽(qi)(qi)。
蒸汽(qi)(qi)疏水(shui)(shui)調節閥(fa)(fa)應根據其在管(guan)道系統中的不同作用(yong),安(an)裝(zhuang)在管(guan)道的適當位置。當管(guan)道系統使用(yong)此閥(fa)(fa)將(jiang)冷(leng)凝水(shui)(shui)轉換(huan)為二次蒸汽(qi)(qi)時(shi),應在閥(fa)(fa)前(qian)安(an)裝(zhuang)蒸汽(qi)(qi)疏水(shui)(shui)閥(fa)(fa)。
疏水閥調節閥結構圖(tu):

疏水閥(fa)調節閥(fa)外形鏈接尺寸:
產品型號 | 公稱通徑 | 主要外形尺寸 | 連接尺寸 | |||||||||||||||
長 | 寬 | 高 | L1 | L2 | M | A-D | D1 | D2 | b | z-Φd | DN | B-D | D1 | D2 | b | Z-Φd | ||
T41H-16C | 40 | 460 | 540 | 964 | 160 | 240 | 385 | 145 | 110 | 85 | 18 | 4×18 | 40 | 145 | 110 | 85 | 18 | 4×18 |
50 | 160 | 125 | 100 | 20 | 4×18 | |||||||||||||
80 | 195 | 160 | 135 | 22 | 8×18 | |||||||||||||
100 | 215 | 180 | 155 | 25 | 8×18 | |||||||||||||
150 | 470 | 560 | 980 | 280 | 240 | 210 | 30 | 8×23 | ||||||||||
